🌞 New Stock Frame Design 🌞

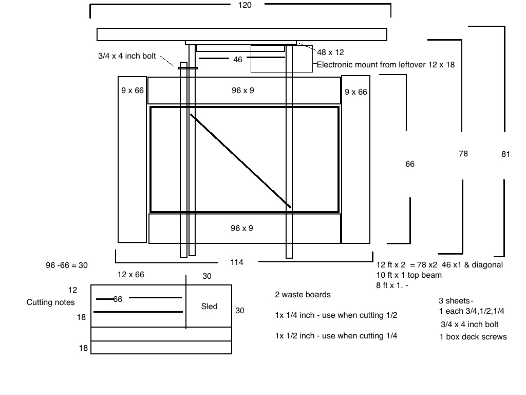
The folding version has 2 horizontal 2x4s in the frame (plus the bottom rail),
one at the bottom, one at the top of the plywood, and one at the top.

The A-frame currently just has the one at the top (plus the bottom rail)

the folding one has the 2x4s for the frame edge on to the plywood, the A-frame
has them flat (same as the existing frame)

all of this can be changed

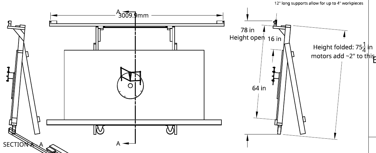
@therayster at 33" out, 10 degrees means that the chain drops 5.6", so here is a tweak (the brace only goes out 8" instead of 12" and the arms are on their side rather than edge)

with unistrut, this is 3" + motor mount/sprocket height, for a 2x top beam on edge, it’s 5", so there would still be a problem.

3 Likes

How about moving the motor mounts to the bottom of thew beam? Then the beam couldn’t get in the way…

2 Likes

Going back a bit

Can I just pipe up a second, this forum is the first time I have come across unistrut. Here in Australia it is not a thing.

3 Likes

A good point that we shouldn’t loose sight of - we’re a world-wide community, and we should keep that in mind.

1 Like

This is why the new motor mount suggestion is designed to work with 2x4 or 4 x2 and unistrut.

In theory if you wanted you could also use plumbing pipe ( as in Lead)

The design should be simple and universal. We should design for Lumber and alternate are options.

Thank you

Possible, but I really like haveing gravity work for me instead of against me
:slight_smile:

I’ll bet that if you were to contact a larger lumberyard, or anyone else who
supplies building materials, especially for commercial buildings, you will find
that they sell unistrut.

It’s a very common building material, just not in homes. I was surprised to
learn that Home Depot carried it, but only because of their limited selection.
I’d bet that I could go to any electrical supply house and get it easily.

I’ve been working on a design to combine all the excellent ideas here.

So far I have a 2x4 top bar by default with an option for unistrut, something which is simple to construct (minimal measuring of critical dimensions), and something with mostly the same parts as the original design so that the BOM is not very different so anyone with a current frame design (like me :wink:) can easily convert to the new design. I am close to having something I like, but I’m not quite finished. I will hopefully have a design to share for review tomorrow.

4 Likes

There are two use cases here

  1. existing people (with sunk cost in the existing design), converting to
    something newer and stronger

  2. new people starting from scratch.

It’s good to support both, but it makes sense for them to be separate designs.
Converting an existing machine to have a top beam starts with it having the
wings, so you can attach the beam supports out by where the motors are.

starting from scratch, buiding the wings is a waste of lumber, and the support
for the top beam is going to be near the A-frames (or legs if there is a folding
design)

the number of people in category 2 is going to outnumber the people in category
1 pretty quickly.

David Lang

I am fairly familiar with building techniques here never seen it used, im guessing that something in our codes stops it from being used

Updated based on your input -

more details

I have a friend drafting it right now

more to follow

Thank you

it’s not used for structural things, but it’s very common to use to arrange
pipes and conduits. There are a lot of clips that let you put a piece of
unistrut hung by to pieces of allthread, open side up, and then you have the
clips hold pipes and conduit.

http://www.unistrutsales.com/literature/Showcase_web.pdf starting around page 20
hows the variety of things it’s used for.

1 Like

@bee
the single, offset rear leg scares me. It’s bad enough at the middle, at the
side like that it’s far too easy to apply force to the top right and have it tip
back.

1 Like

@pyrosrock Mate, stop shopping at Bunnings [Australian equivalent of a Home Depot] and get down to your local stock shop or metal supplier.
My local bloke in Wodonga stocks uni strut and other hollow square channel variations. My preference would be metal for rigidity.
Here are the local uni strut agents for Australia and other countries are also on the same site. http://www.unistrut.com.au/index.php?P=contact_locate_au

2 Likes

I understand your concern. I see it as a strength not a weakness, I also want a 3 wheeled car. I’m deeply considering a full scale test. If I’m wrong I’ll change it. I’m interested to see what Bar is doing. So I’ll wait till tomorrow.

Thank you

1 Like

the number of people in category 2 is going to outnumber the people in category
1 pretty quickly.

I agree that it makes sense to have a ground up design #2 and a retrofit top beam “1B”.

Also, there’s a 3rd type of frame builder. One who is going to go their own way anyway. Maybe they have access to more/fewer resources (time, money, space, materials, other tools) or maybe they have an idea they want to see to fruition (good, bad or otherwise).

If a single new frame has to be the only option, it should be a full on design #2. The cost of building a stock frame isn’t ridiculous, and I would expect many of the parts can be reused (plywood backer, brackets, some of the frame lumber).

1 Like

Glue! It has struck me that nowhere in the talk of frame designs has gluing the joints been mentioned! Glued joints can be many times stronger and stiffer than screwed joints… I know a lot the the designs have end grain connections but a small block glued along side will help. Even on the stock design if the motor plywood extension was glued to the main bar this would eliminate twist! Even with just plain PVA (White) glue would be a massive improvement in stiffness.

7 Likes

Hey all i have been reading and researching Alot of the alternative frame design’s. I am on the Feb List. My two cents on what i would like to see. and i am total new to all of this.

  1. Being able to build the final frame with out having to build a temporary frame would be a huge plus in my book.
  2. Storage for Sheet goods like some of the ideas i have see on here.
  3. Being on casters to move around garage is a must. And move outside of garage as well.
  4. If a solid frame-why not have holes in the back plywood to allow clamping (instead of screws and bit damage) of plywood being cut. Like a giant peg board. I know being careful of the sled is a must.
  5. If a panel saw is possible this is always a time saver with plywood and a tool that does more than one function gets used more. (know this is a long shot)
  6. Standard lumber from the box stores would be a big plus. Special order LVL ect adds cost and time.
3 Likes

good point, we have been overlooking this.

To be fair, a lot of the stiffness problems we have been seeing have been due to
wood flexing, but the motor mounts to the arms would improve significantly with
glue.

and on my design, gluing the supports that stick forward for the top beam to
ride on to the rest of the frame should make them stong enough not to need the
angled braces.

I would not glue to bottom support beam or the plywood to the frame, they will
get chewed up by mistakes over time and need to be replaceable (again, a very
strong argument for not having the plywood be structural) but the rest of the
frame should be glued together.